Brewery Supplies from Daken Stainless Products banner

 

 

 

PUMPS & PUMP ACCESSORIES

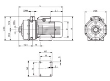
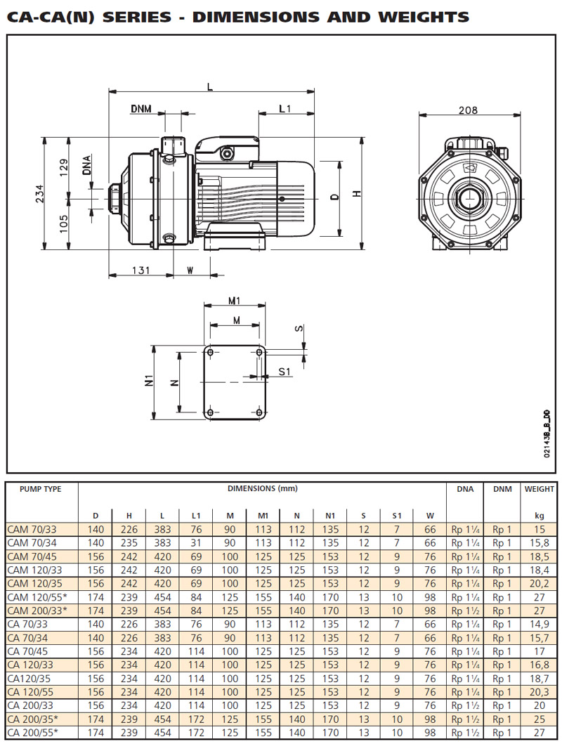
Lowara CEA schematic
Click to enlarge

We stock a large range of new and used pumps.

We recommend the Lowara CEA pump as an ideal pump for Microbreweries as they are extremely cost-effective and low maintenance.

We carry a full range of mechanical seals and spares for these and all other leading manufacturers' pumps.

We can supply these pumps complete with BSP/RJT adapters to fit straight into your line (other fittings
are available on request).

Click here to download the Lowara CEA datasheet.

 

If you would like further information or would like to discuss your brewery equipment requirements,
please call us on 01773 827535 or email

We look forward to being of assistance to you soon.

 

Brewery Supplies from Daken Stainless Products
3 Riverside Business Centre
Foundry Lane
Milford
Belper
Derbyshire
DE56 0RN
Tel: +44 (0)1773 827535
Fax: +44 (0)1773 823972
Email: web.enquiries@brewerysupplies.co.uk
Navigation
Home
Pumps
Pipelines
Tanks
Valves